Ca18Det Engine Wiring Diagram

Ca18Det Engine Wiring Diagram. Web 1988 1991 nissan silvia s13 ca18det ecu diagram. Nissan 200sx s13 euro lhd.

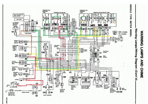
[1990 240sx W/ cA18DET Swap] is the wiring for the gauge cluster part
[1990 240sx W/ cA18DET Swap] is the wiring for the gauge cluster part from www.reddit.com

Ca18det to 1200 wiring forum main datsun club. 200sx ca18det wiring harness oem replacement je import performance. Web ca18det engine wiring diagram.

Web Colored Eccs Wiring Diagrams.


Web nissan silvia s13 (sr20det) workshop manual (japanese language) (useful diagrams) file size: Bee r rev limiter nen performance. Nissan silvia & 180sx s13 jdm rhd.

Nissan 240Sx S13 Usdm Lhd.


Web wiring diagram by model pdfcoffee com. Nissan neutral safety switch connector male. Web ca18det engine wiring diagram wiringdiagramall.blogspot.com.

Web Hi Im Currently Wiring Up My Ca18Det In A Ke70, Ur Instructions Dont Mention 4 Coils That This Motor Has?


Web the ca18det is a turbocharged engine designed and produced by nissan motors for use in many of its vehicles. Sr & ka engine accessories; Web ca18det engine wiring diagram.

Web S14 S14A S15 Sr20Det Engine And Gearbox Ing Guide For Uk Euro S13 200Sx.


By diagram digital | september 25, 2021. Nissan s15 thermo fan setup « omgpham… omgpham.com Web select your chassis for wiring instructions.

Tech Wiki Ca Engine Ing Datsun 1200 Club.


Nissan 240sx s14 usdm lhd. Ca18det alternator wiring forum main datsun 1200 club. Ca18 engine vehicle specific wiring diagram performance silvia.